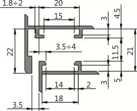
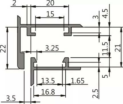
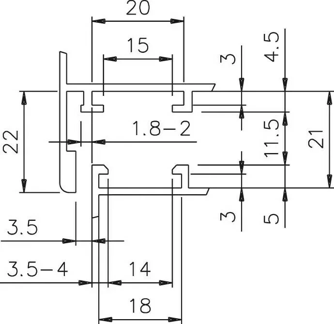
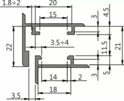
Matériaux :
Compas
Corps, bloc de fixation et coulisseau en zamak, finition GS Silver Plus (jusqu’à 500 h de résistance à la corrosion) et tringle en acier inox. Tringle, bielle, vis sans tête et vis en acier inox. Disque d’arrêt en polya-mide.
Paumelles :
Corps de paumelles en aluminium extrudé et laiton. Supports en zamak, finition GS Silver Plus (jusqu’à 500 h de résistance à la corrosion). Axes, vis et vis sans tête en acier inox.
Mécanisme :
Renvoi, tirage, pêne et gâches en zamak, finition GS Silver Plus (jusqu’à 500 h de résistance à la corro-sion) Vis et vis sans tête en acier inox. Hausse vantail en polyamide.



































Avis
Il n’y a pas encore d’avis.