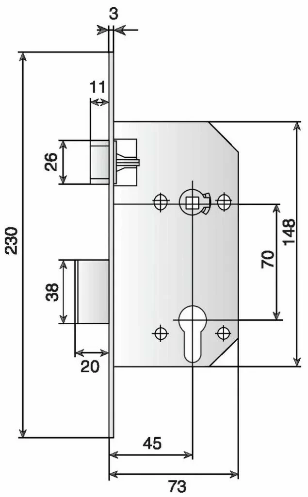
Pêne 1/2 tour nickelé réversible sans démontage du coffre.
Rappel du 1/2 tour par la clé. Fouillot carré de 7 mm.
Axe à 45 mm.
Trous de passage pour vis de rosaces de fouillot et cylindre.
Label CFPF.
fouillot équipé d’une lame ressort qui évite le jeu et maintient
la poignée bien à l’horizontal.















Avis
Il n’y a pas encore d’avis.