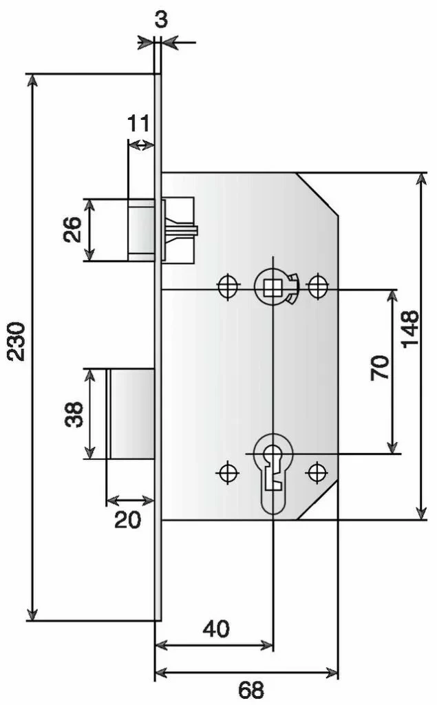
Pêne 1/2 tour nickelé réversible sans démontage du coffre.
Rappel du 1/2 tour par la clé. Fouillot carré de 7 mm. Axe à 40 mm.
Trous de passage pour vis de rosaces de fouillot et cylindre.
Label CFPF.
dispositif de rattrapage de jeu, unique sur le marché
assurant le lien entre la serrure et la béquille.



















Avis
Il n’y a pas encore d’avis.