6 gorges.
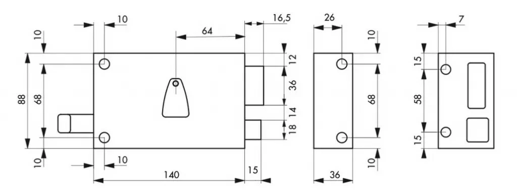
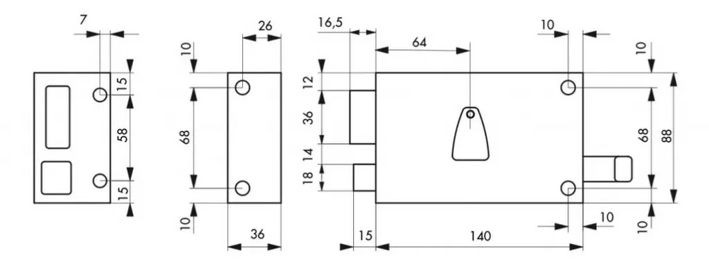
Coffre et gâche acier cambré. Pêne acier. Demi-tour acier. Mécanisme à 6 gorges 2 tours avec tirage ou à fouillot. Carré 7 mm. 2 clés nickelées. 20 variures. Entrée de clé acier. A tirage : rappel du demi-tour par la clé. Finition époxy noir granité. L x H x E : 140 x 88 x 30,5 mm. Axe clé 64 mm. Longueur du canon 45 mm.


















Avis
Il n’y a pas encore d’avis.