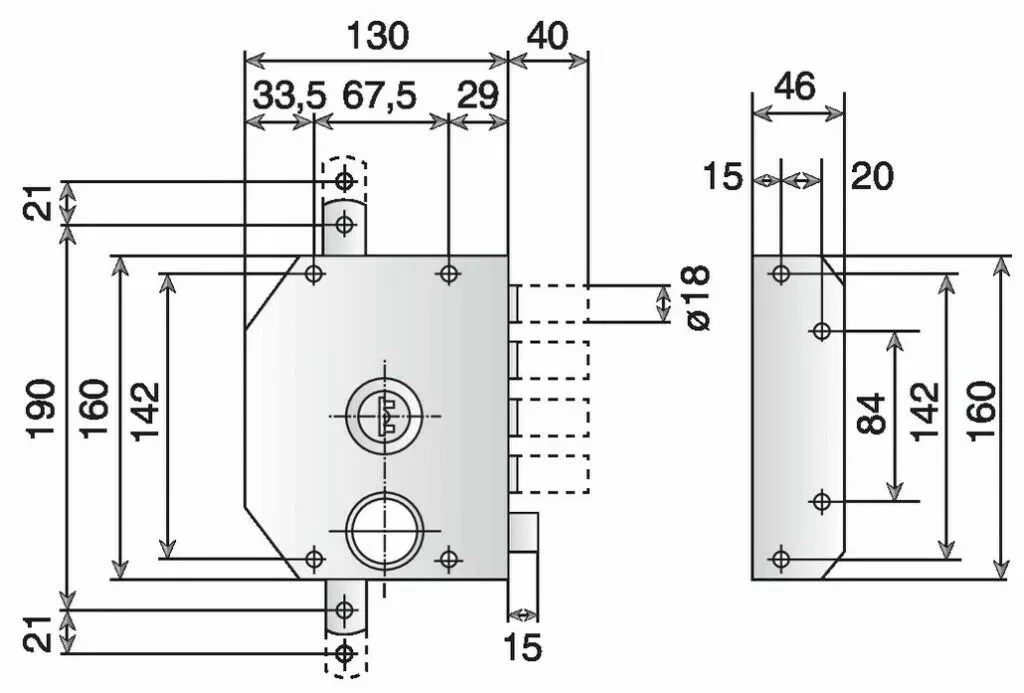
4 pênes dormants cylindriques ø 18 mm en acier traité nickelé. Course des pênes 40 mm. Pêne 1/2 tour cylindrique ø 18 mm en acier traité nickelé, réversible tirant/poussant.
Tringles télescopiques hauteur 2660 mm. Gâche haute réglable. Livrée avec 3 clés.
pose simple et rapide.













Avis
Il n’y a pas encore d’avis.