Serrure en applique pour grille et portail. 6 gorges.
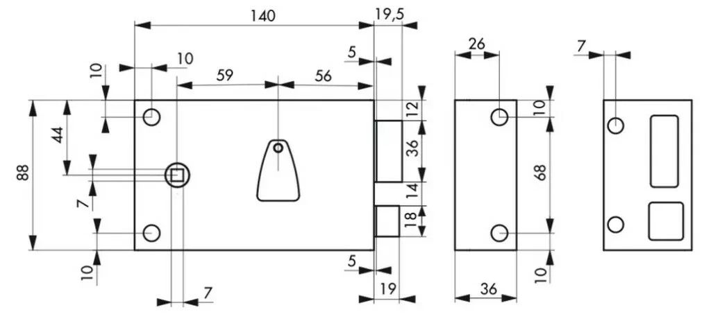
Coffre et gâche acier cambré peinture epoxy noir granité. Pêne et demi-tour acier en saillie de 5 mm. L x H x E : 140 x 88 x 25 mm. Axe clé : 56 mm. Entraxe 59 mm. Fouillot laiton carré de 7 mm. 2 clés nickelées. Longueur du canon 45 mm. Mécanisme à 6 gorges, 2 tours.
Longueur du pêne : 19.5 mm
Longueur du pêne : 19.5 mm



















Avis
Il n’y a pas encore d’avis.