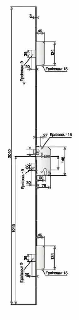
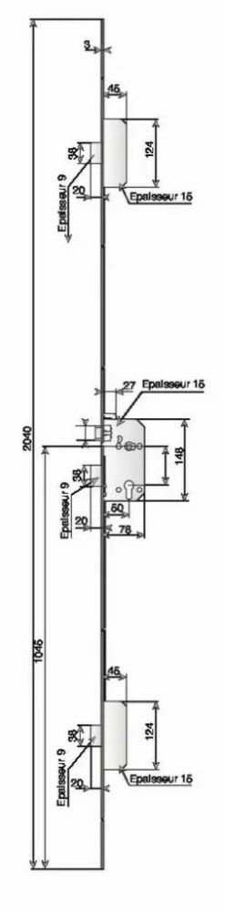
dont le central avec 2 goupilles anti-sciage. Fonction palière avec équerre au 1/2 tour.
Coffre central avec système breveté de protection du mouvement de pêne dormant.
Condamnation par cylindre à profil européen. Livrée sans cylindre, sans jeu de gâches plates.
CFPF 1/2 heure. NF P26-414.


















Avis
Il n’y a pas encore d’avis.