commandée électriquement, avec fouillot en une partie,
béquilles intérieures et extérieures pouvant être embrayées par commande électrique.
Alimentation : 12 ou 24 Vcc.
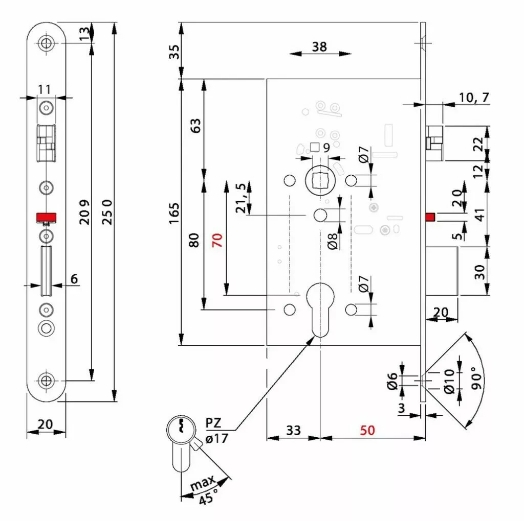
Axe 50 mm. Entraxe 70 mm. Carré de 7.
Dimensions :
têtière : 250 mm,
coffre : 185 x 83 mm.
Conformes aux normes EN 179 et EN 1125.
tenue à l’effraction 1 tonne.















Avis
Il n’y a pas encore d’avis.